Your cart is empty

  • Osprzęt mocujący

KFSC

Declaration of conformity

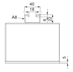
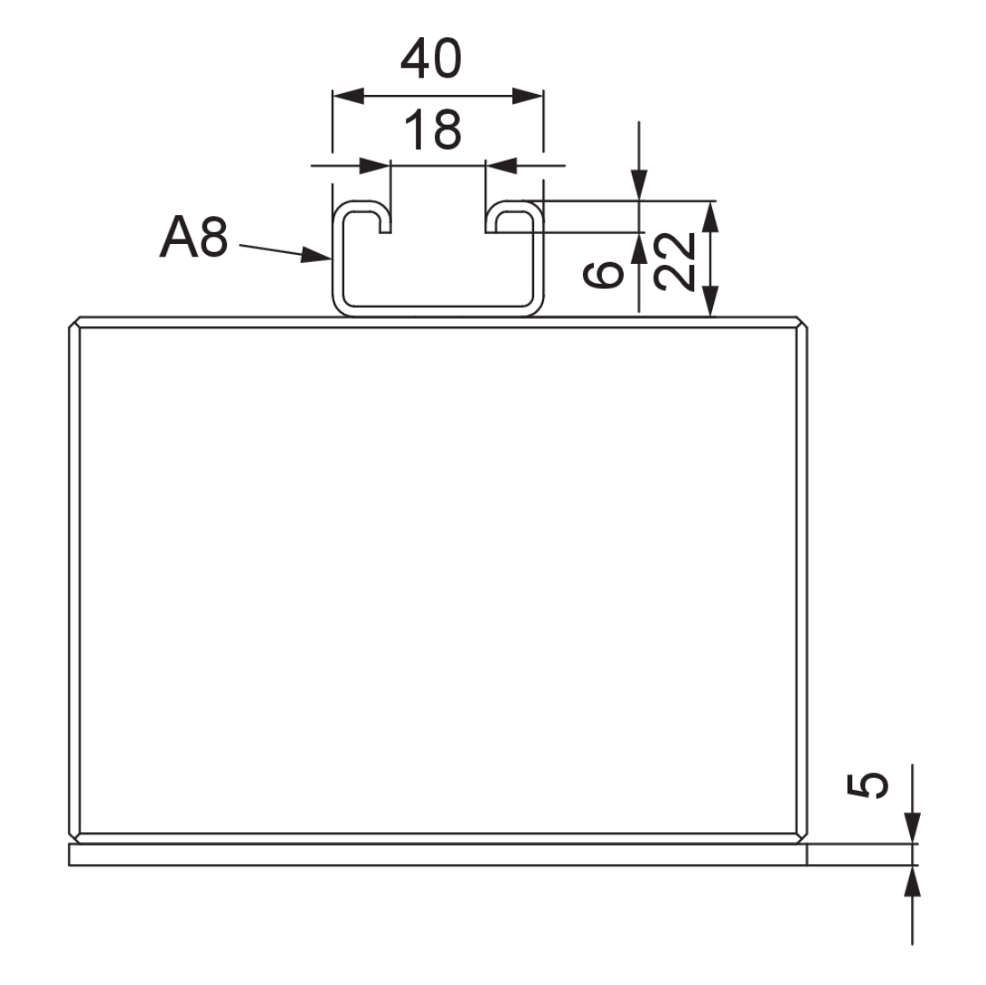
Bloczek betonowy z profilem C i matą ochronną.

Bloczek betonowy KFSB wyposażony w profil C (kształtownik A 8 ocynkowany metodą zanurzeniowo-ogniową „F”) i matę ochronną. Bloczek przeznaczony jest do układania korytek siatkowych, korytek blaszanych, rur oraz kabli (za pomocą uchwytów kablowych). Bloczek przystosowany jest do montażu na dachach płaskich oraz na gruncie. Mata ochronna stanowi stabilną powierzchnię nośną i zapobiega uszkodzeniom istniejącego pokrycia dachowego. Ze względu na dodatkowe obciążenie dachu przy zastosowaniu bloczków, konieczny jest kontakt z właścicielem budynku lub odpowiedzialnym projektantem.

Name H[mm] B[mm] L[mm] G[kg]
KFSC 030
100
140
300
10,00
+
KFSC 060
100
140
500
16,00
+