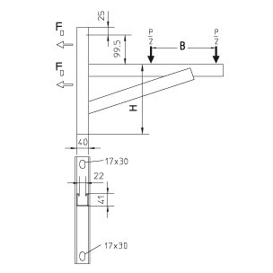
Bracket, very heavy
Wall bracket as welded version, very heavy.
Certified according to DIN EN 61537.
Bracket, very heavy
Wall bracket as welded version, very heavy.
Certified according to DIN EN 61537.
| Name | H[mm] | B[mm] | L[mm] | Pmax[kN] | Fd/P | G[kg] | |
|---|---|---|---|---|---|---|---|
| KWSS 020F |
166
|
200
|
280
|
10
|
0,76
|
2,59
|
|
| KWSS 030F |
196
|
300
|
380
|
10
|
0,86
|
3,37
|
|
| KWSS 040F |
236
|
400
|
480
|
10
|
0,91
|
4,18
|
|
| KWSS 050F |
266
|
500
|
580
|
10
|
0,97
|
4,96
|
|
| KWSS 060F |
236
|
600
|
680
|
10
|
1,26
|
5,51
|
|
| KWSS 070F |
266
|
600
|
780
|
10
|
1,44
|
6,28
|
|
| KWSS 080F |
301
|
600
|
880
|
10
|
1,56
|
1,08
|
|
| KWSS 090F |
331
|
600
|
980
|
10
|
1,66
|
7,85
|
|
| KWSS 100F |
366
|
600
|
1080
|
10
|
1,72
|
8,65
|