Bracket, heavy
Bracket, heavy
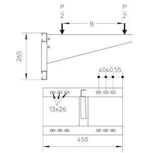
| Name | H[mm] | B[mm] | L[mm] | Pmax[kN] | Fd/P | G[kg] | |
|---|---|---|---|---|---|---|---|
| KIS 020F |
265
|
200
|
280
|
7
|
0,66
|
4,32
|
|
| KIS 030F |
265
|
300
|
380
|
6,7
|
0,76
|
4,65
|
|
| KIS 040F |
265
|
400
|
480
|
6,5
|
0,86
|
5
|
|
| KIS 050F |
265
|
500
|
580
|
6,3
|
0,97
|
5,34
|
|
| KIS 060F |
265
|
600
|
680
|
6,1
|
1,09
|
5,68
|
|
| KIS 070F |
265
|
600
|
780
|
5,2
|
1,33
|
6,02
|
|
| KIS 080F |
265
|
600
|
880
|
4,4
|
1,57
|
6,36
|
|
| KIS 090F |
265
|
600
|
980
|
3,6
|
1,83
|
6,7
|
|
| KIS 100F |
265
|
600
|
1080
|
2,8
|
2,08
|
7,04
|