Your cart is empty

  • Konstrukcje nośne

KISS

Declaration of conformity

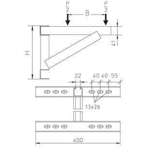
Bracket, very heavy

Wall bracket, very heavy building class, especially for wide-span cable trays, clamp fastening to steel constructions provided by the customer

Hot-dip galvanized, according to BS 729 (EN ISO 1461)

Name H[mm] B[mm] L[mm] Pmax[kN] Fd/P G[kg]
KISS 020F
150
200
280
10
0,93
4,66
+
KISS 030F
185
300
380
10
0,91
5,42
+
KISS 040F
215
400
480
10
0,92
6,17
+
KISS 050F
250
500
580
10
0,92
6,93
+
KISS 060F
280
600
680
10
0,92
7,7
+
KISS 070F
315
600
780
10
0,99
8,44
+
KISS 080F
345
600
880
10
1,06
9,21
+
KISS 090F
380
600
980
10
1,1
9,96
+
KISS 100F
410
600
1080
10
1,15
10,71
+