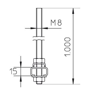
Central hanger
External centre suspension with threaded rod for wire-mesh trays.
For tray widths of up to 300 mm.
A threaded rod (L = 1000 mm) is included in the set.
Central hanger
External centre suspension with threaded rod for wire-mesh trays.
For tray widths of up to 300 mm.
A threaded rod (L = 1000 mm) is included in the set.
| Name | B[mm] | L[mm] | Pmax[kN] | Fd/P | G[kg] | ||
|---|---|---|---|---|---|---|---|
| GBAG 10S |
100
|
41
|
0,5
|
1
|
0,42
|
||
| GBAG 20S |
200
|
180
|
0,5
|
1
|
0,5
|
||
| GBAG 30S |
300
|
280
|
0,5
|
1
|
0,57
|
| Name | B[mm] | L[mm] | Pmax[kN] | Fd/P | G[kg] | ||
|---|---|---|---|---|---|---|---|
| GBAG 10E |
100
|
41
|
0,5
|
1
|
0,42
|
||
| GBAG 20E |
200
|
180
|
0,5
|
1
|
0,5
|
||
| GBAG 30E |
300
|
280
|
0,5
|
1
|
0,57
|