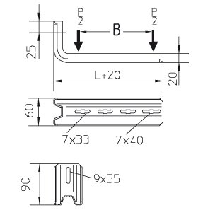
Bracket
Bracket, light duty, for stem-fastening
Bracket
Bracket, light duty, for stem-fastening
| Name | B[mm] | L[mm] | Pmax[kN] | G[kg] | |
|---|---|---|---|---|---|
| KSL 010S |
100
|
120
|
3
|
0,36
|
|
| KSL 015S |
150
|
170
|
2,4
|
0,45
|
|
| KSL 020S |
200
|
220
|
1,9
|
0,53
|
|
| KSL 025S |
250
|
270
|
1,5
|
0,61
|
|
| KSL 030S |
300
|
320
|
1,1
|
0,69
|
|
| KSL 040S |
400
|
420
|
0,8
|
0,86
|
| Name | B[mm] | L[mm] | Pmax[kN] | G[kg] | |
|---|---|---|---|---|---|
| KSL 010F |
100
|
120
|
3
|
0,38
|
|
| KSL 015F |
150
|
170
|
2,4
|
0,47
|
|
| KSL 020F |
200
|
220
|
1,9
|
0,56
|
|
| KSL 025F |
250
|
270
|
1,5
|
0,65
|
|
| KSL 030F |
300
|
320
|
1,1
|
0,73
|
|
| KSL 040F |
400
|
420
|
0,8
|
0,92
|