Your cart is empty

  • Konstrukcje nośne

BGU 60

Declaration of conformity

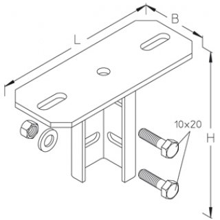
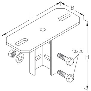
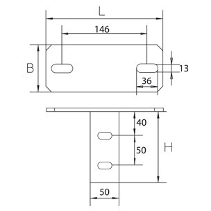
Head plate, profile U60

Head plate for mounting of bracket support profile U 60 to ceiling

Hot-dip galvanized, according to BS 729 (EN ISO 1461)

Name H[mm] B[mm] L[mm] G[kg]
BGU 60F
120
80
200
1,28
+

Stainless steel, according to ASTM 304 / BS 304 S 3

Name H[mm] B[mm] L[mm] G[kg]
BGU 60E
120
80
200
1,3
+