Your cart is empty

  • Konstrukcje nośne

BGUD

Declaration of conformity

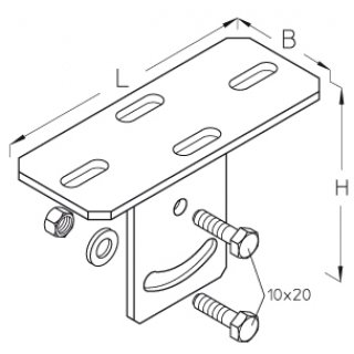
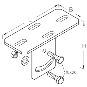
Head plate, profile U40/ U57/ U60

Head plate for mounting of bracket support profile U40/ U57/ U60 to ceiling.

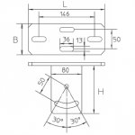
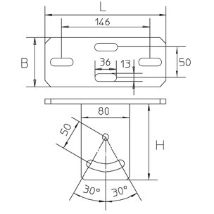
For angled connection +/- 30°.

Hot-dip galvanized, according to BS 729 (EN ISO 1461)

Name H[mm] B[mm] L[mm] G[kg]
BGUD F
125
80
200
1,3
+

Stainless steel, according to ASTM 304 / BS 304 S 3

Name H[mm] B[mm] L[mm] G[kg]
BGUD E
125
80
200
1,4
+