Your cart is empty
You have 0 items in your cart.
Show cart
Declaration of conformity
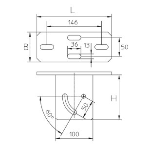
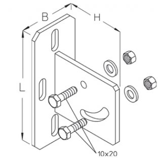
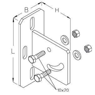
Head plate, profile U40/ U57/ U60
Head plate for mounting of bracket support profile U40/ U57/ U60 to ceiling.
For angled connection 30° - 90°.
Expansion anchor