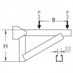
Bracket, very heavy, profile I80
Bracket, very heavy building class, especially for wide-span cable trays, for ceiling bracket support profile I 80, certified according to DIN EN 61357
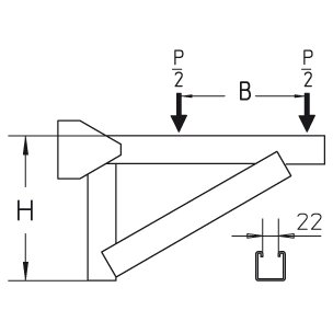
Bracket, very heavy, profile I80
Bracket, very heavy building class, especially for wide-span cable trays, for ceiling bracket support profile I 80, certified according to DIN EN 61357
| Name | H[mm] | B[mm] | L[mm] | Pmax[kN] | G[kg] | |
|---|---|---|---|---|---|---|
| KTSS 020F |
100
|
200
|
280
|
12
|
2,94
|
|
| KTSS 030F |
135
|
300
|
380
|
12
|
3,53
|
|
| KTSS 040F |
165
|
400
|
480
|
12
|
4,12
|
|
| KTSS 050F |
200
|
500
|
580
|
12
|
4,71
|
|
| KTSS 060F |
230
|
600
|
680
|
12
|
6,34
|