Your cart is empty

  • Konstrukcje nośne

BGIQ

Declaration of conformity

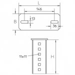
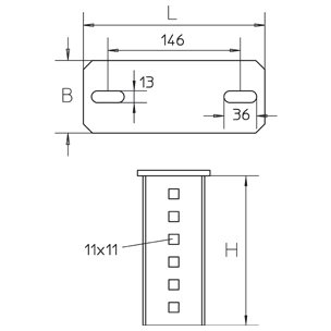
Head plate, profile I80

Transverse head plate for mounting of bracket support profile I 80 to ceiling, certified according to DIN 4102-12

Hot-dip galvanized, according to BS 729 (EN ISO 1461)

Name H[mm] B[mm] L[mm] G[kg]
BGIQ F
165
80
200
1,4
+