Your cart is empty

  • Konstrukcje nośne

BGF 82

Declaration of conformity

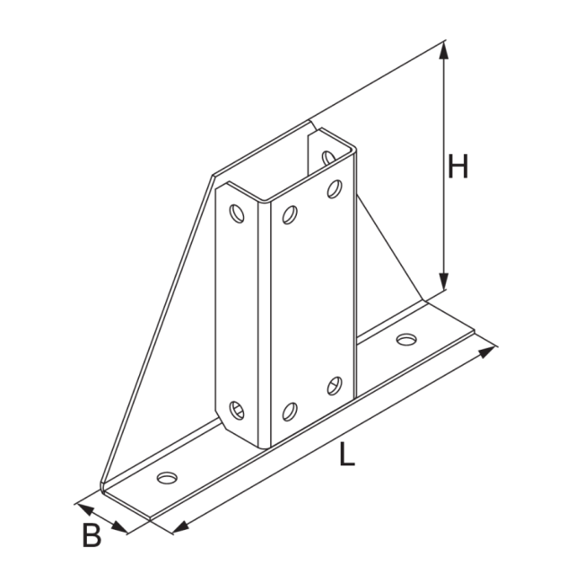
Płyta czołowa, profil KHA 82.

Płyta czołowa służąca do montażu kształtowników o profilu KHA 82 (dwa profile 41). Element może być stosowany do montażu sufitowego lub podłogowego. Płyta ocynkowana metodą zanurzeniowo-ogniową. Akcesoria montażowe, należy zamawiać osobno, w zależności od zastosowania.

Hot-dip galvanized, according to BS 729 (EN ISO 1461)

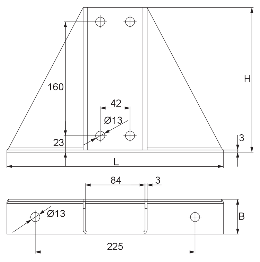
Name H[mm] B[mm] L[mm] G[kg]
BGF 82F
203
49
305
2,440
+