Your cart is empty

  • Konstrukcje nośne

AVE

Declaration of conformity

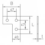
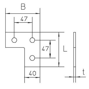
Corner connector 90°

Hot-dip galvanized, according to BS 729 (EN ISO 1461)

Name B[mm] L[mm] t[mm] G[kg]
AVE F
90
90
6
0,27
+