Your cart is empty

  • Konstrukcje nośne

AVA

Declaration of conformity

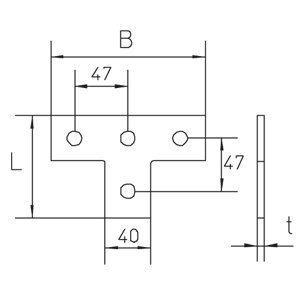
Corner connector T-piece

Hot-dip galvanized, according to BS 729 (EN ISO 1461)

Name B[mm] L[mm] t[mm] G[kg]
AVA F
136
90
6
0,36
+