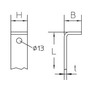
Corner connector 90°
Corner connector 90 ° 1-1, 1-2, 1-3 or 2-2 hole
Corner connector 90°
Corner connector 90 ° 1-1, 1-2, 1-3 or 2-2 hole
| Name | H[mm] | B[mm] | L[mm] | t[mm] | G[kg] | |
|---|---|---|---|---|---|---|
| AVLW 1-1F |
40
|
42
|
58
|
6
|
0,17
|
|
| AVLW 1-2F |
40
|
42
|
106
|
6
|
0,26
|
|
| AVLW 1-3F |
40
|
58
|
136
|
6
|
0,36
|
|
| AVLW 2-2F |
40
|
89
|
106
|
6
|
0,44
|