Your cart is empty

  • Konstrukcje nośne

U-123

Declaration of conformity

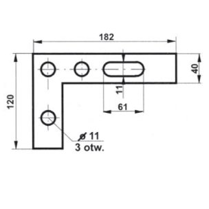
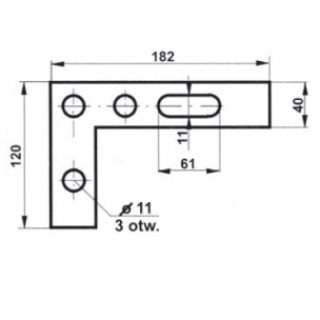
Corner angle

Hot-dip galvanized, according to BS 729 (EN ISO 1461)

Name H[mm] B[mm] L[mm] G[kg]
U-123F
120
40
182
0,22
+