Your cart is empty

  • Drabinki pionowe

BGI

Declaration of conformity

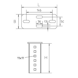
Head plate, profile I80

Head plate for mounting of bracket support profile I 80 to ceiling

Hot-dip galvanized, according to BS 729 (EN ISO 1461)

Name H[mm] B[mm] L[mm] G[kg]
BGI F
165
80
200
1,4
+