Your cart is empty

  • Komponenty systemu dla podłóg jastrychowych i próżniowych

UEBD R MR

Declaration of conformity

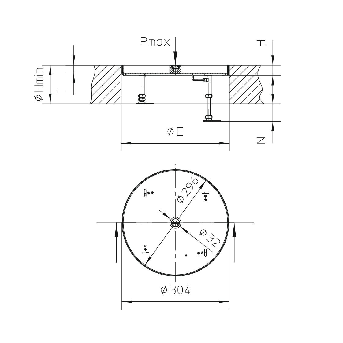
Kaseta ślepa, okrągła, poziomowalna.

Kaseta ślepa wykonana ze stali nierdzewnej. Kaseta przeznaczona do instalacji montowanych w podłogach zalewanych jastrychem, oraz w podłogach podwójnych technicznych lub podniesionych. Kaseta fabrycznie wyposażona w stopy poziomujące. Pokrywa przeznaczona do wypełnienia np.: wykładziną dywanową, kamieniem, gresem lub parkietem. Pokrywa wyposażone jest w uszczelki dzięki czemu możliwe jest czyszczenie podłogi na mokro (także przy użyciu maszyn myjących). Kaseta umożliwia montaż do 3 puszek instalacyjnych (czyli max. do 12 modułów 45 mm x 45 mm) w ramce montażowej (brak w komplecie).

Szczelne domknięcie kasety realizowane jest poprzez obrót pokrywy.

Stainless steel, according to ASTM 304 / BS 304 S 3 / Rubber

Name H[mm] Hmin [mm] N[mm] B[mm] E[mm] Pmax[kN] IPn T[mm] G[kg]
UEBD 25-R-MR
29
110
+55
304
307
2
IP 66
22
2,56
+