Your cart is empty

  • Komponenty systemu dla podłóg jastrychowych i próżniowych

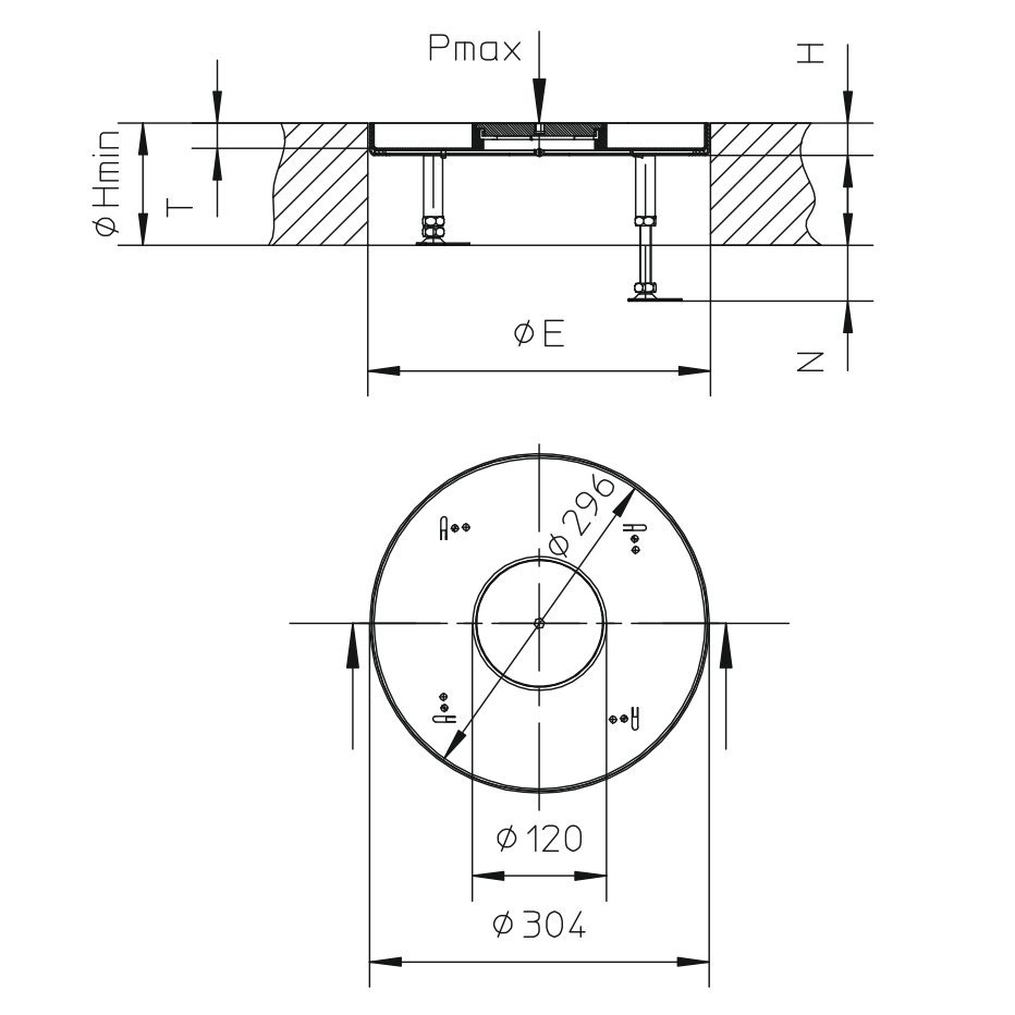
UEBDM R MR

Declaration of conformity

Kaseta ślepa z tubusem wylotowym, okrągła, poziomowalna.

Kaseta ślepa wykonana ze stali nierdzewnej wyposażona w wyprowadzenie pod tubus. Kaseta przeznaczona do instalacji montowanych w podłogach zalewanych jastrychem, oraz w podłogach podwójnych technicznych lub podniesionych. Kaseta fabrycznie wyposażona w stopy poziomujące. Pokrywa przeznaczona do wypełnienia np.: wykładziną dywanową, kamieniem, gresem lub parkietem. Pokrywa i wyprowadzenie pod tubus wyposażone jest w uszczelki dzięki czemu możliwe jest czyszczenie podłogi na mokro (także przy użyciu maszyn myjących). Kaseta umożliwia montaż do 3 puszek instalacyjnych (czyli max. do 12 modułów 45 mm x 45 mm) w ramce montażowej (brak w komplecie). Kaseta fabrycznie wyposażona w dekiel tubusu (tubus sprzedawany oddzielnie).
Szczelne domknięcie kasety realizowane jest poprzez obrót pokrywy.

Aluminium / Stainless steel, according to ASTM 304 / BS 304 S 3 / Rubber

Name H[mm] Hmin [mm] N[mm] B[mm] E[mm] Pmax[kN] IPn IPg T[mm] G[kg]
UEBDM 25-R-MR
29
110
+55
304
307
2
IP 66
IP 43
22
2,80
+