Your cart is empty

  • Kasety zachowania czystości

UBST R WD

Declaration of conformity

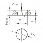
Cleaning socket, single, round, levelable.

Round cleaning socket made of high-grade steel sheet with a hem. Incl. white single isolated ground receptacle. As levellable unit with tube cover, retainer box made of sheet steel. For direct installation in screed floors. Suitable for rooms with low floor build-up and wet-cleaned floor coverings. Designed for office traffic loads.

Aluminium

Name H[mm] Hmin [mm] N[mm] B[mm] E[mm] Pmax[kN] IPn IPg G[kg]
UBST-R W1-WD
17
55
15
120
125
2
IP 66
IP 43
0,65
+