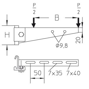
Wspornik poziomy, standardowy, profil I80.
Wspornik poziomy, standardowy, przystosowany do montażu na wsporniku KDI lub dwuteowniku KHI (I 80). Produkt certyfikowany zgodnie z DIN EN 61357/VDE 0639.
Wspornik poziomy, standardowy, profil I80.
Wspornik poziomy, standardowy, przystosowany do montażu na wsporniku KDI lub dwuteowniku KHI (I 80). Produkt certyfikowany zgodnie z DIN EN 61357/VDE 0639.
| Nazwa | H[mm] | B[mm] | L[mm] | Pmax[kN] | G[kg] | |
|---|---|---|---|---|---|---|
| KT 010F |
50
|
100
|
120
|
2
|
0,24
|
|
| KT 020F |
70
|
200
|
220
|
2
|
0,56
|
|
| KT 030F |
70
|
300
|
320
|
2
|
0,77
|
|
| KT 040F |
90
|
400
|
420
|
2
|
0,87
|
|
| KT 050F |
110
|
500
|
520
|
2
|
1,4
|
|
| KT 060F |
100
|
600
|
620
|
2,1
|
1,55
|