Twój schowek jest pusty





  • System oświetleniowy

KPV

Deklaracja zgodności

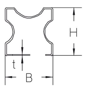
Łącznik systemu KPR.

Nazwa H[mm] B[mm] L[mm] t[mm] G[kg]
KPV
37
37
300
1
0,31
+