Twój schowek jest pusty





  • System oświetleniowy

KPB

Deklaracja zgodności

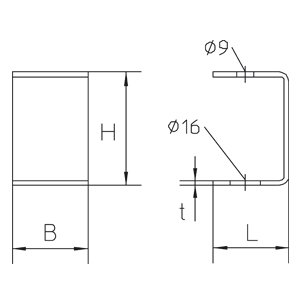
Pałąk mocujący.

Ocynk zanurzeniowo-ogniowy, zgodnie z BS 729 (EN ISO 1461)

Nazwa H[mm] B[mm] L[mm] t[mm] G[kg/100]
KPB F
60
40
40
2,5
11
+