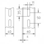
Bracket support, profile U60
Bracket support, U-profile 60x40x4 mm, continuously three-way perforated.
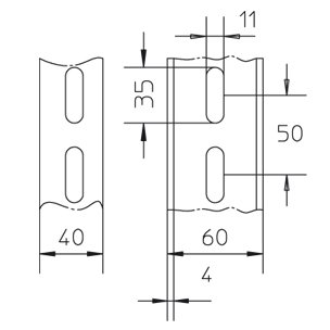
Bracket support, profile U60
Bracket support, U-profile 60x40x4 mm, continuously three-way perforated.
| Name | H[mm] | B[mm] | L[mm] | G[kg] | |
|---|---|---|---|---|---|
| KHU 60-02F |
40
|
60
|
200
|
0,7
|
|
| KHU 60-03F |
40
|
60
|
300
|
1,1
|
|
| KHU 60-04F |
40
|
60
|
400
|
1,4
|
|
| KHU 60-05F |
40
|
60
|
500
|
1,8
|
|
| KHU 60-06F |
40
|
60
|
600
|
2,1
|
|
| KHU 60-07F |
40
|
60
|
700
|
2,5
|
|
| KHU 60-08F |
40
|
60
|
800
|
2,8
|
|
| KHU 60-09F |
40
|
60
|
900
|
3,2
|
|
| KHU 60-10F |
40
|
60
|
1000
|
3,5
|
|
| KHU 60-11F |
40
|
60
|
1100
|
3,9
|
|
| KHU 60-12F |
40
|
60
|
1200
|
4,2
|
|
| KHU 60-13F |
40
|
60
|
1300
|
4,6
|
|
| KHU 60-14F |
40
|
60
|
1400
|
4,9
|
|
| KHU 60-15F |
40
|
60
|
1500
|
5,3
|
|
| KHU 60-20F |
40
|
60
|
2000
|
7
|
|
| KHU 60-30F |
40
|
60
|
3000
|
10,5
|
|
| KHU 60-60F |
40
|
60
|
6000
|
21,1
|
| Name | H[mm] | B[mm] | L[mm] | G[kg] | |
|---|---|---|---|---|---|
| KHU 60-30E |
40
|
60
|
3000
|
10,5
|